TJ搪玻璃反應罐通用機架

關鍵詞:TJ搪玻璃反應罐通用機架,機架
生產商:泊頭市美晨機械有限公司地 址:河北省泊頭市工業區內6號車間
電 話:0317-8310667
傳 真:0317-8194995
郵 箱:btmcjx@163.com
TJ搪玻璃反應罐通用機架詳細介紹 DETAILS
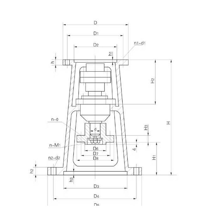
TJ搪玻璃反應罐通用機架,包括架體、架體內連接一密封軸承盒、傳動軸穿過軸承盒并通過上軸承和下軸承安裝在軸承盒內,傳動軸頂端連接與動力裝置連接的連軸器,傳動軸下端與搪玻璃反應罐的攪拌軸連接,傳動軸為多級臺階傳動軸,主要技術特點是傳動軸不切槽,加工簡單,提高了傳動軸扭力強度;節省了軸套,節約材料,降低了成本。拆卸安裝簡單方便。

TJ型機架、下裝JA型聯軸器,主要參數及尺寸


TJ型機架、下裝JA型聯軸器,主要參數及尺寸

上一個產品:JXLD型機架(74標)
下一個產品:JB型HG5-251-79標機架
聯系方式
地址:泊頭市工業區內6號車間 電話:0317-8310667 傳真:0317-8194995 郵箱:btmcjx@163.com
簡介
泊頭市美晨機械有限公司主要產品有橡膠輪胎式聯軸器,滾子鏈聯軸器,安全聯軸器,膜片聯軸器,鼓形齒式聯軸器,星形彈性聯軸器,彈性套柱銷聯軸器,滑塊聯軸器,梅花形彈性聯軸器,滾子鏈聯軸器,彈性柱銷聯軸器,彈性柱銷齒式聯軸器等。為滿足客戶需要,我們也承接其它聯軸器的測繪、制造,在這方面我們積累了豐富的經驗。