JXLD型機架(74標)

關鍵詞:JXLD型機架
生產商:泊頭市美晨機械有限公司地 址:河北省泊頭市工業區內6號車間
電 話:0317-8310667
傳 真:0317-8194995
郵 箱:btmcjx@163.com
JXLD型機架(74標)詳細介紹 DETAILS
美晨機械現場實物圖
本機架系列的JXLD型適用于與XLD型擺線針輪行星減速機及CFL型行星齒輪減速機連接,JBLD型適用于與BLD型擺線減速機連接。為使攪拌軸與軸承室裝配、維修方便,本公司對軸承室結構進行改進設計,同時對與BLD2、BLD3、BLD4相配的機架JBLD2,JBLD3JBLD4的軸承室加大,使之與較粗的攪拌軸相一致。
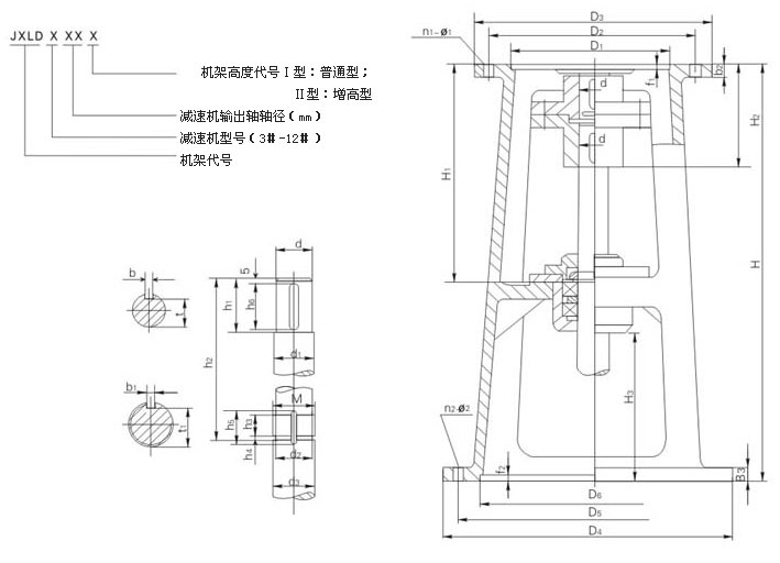
型號標定方法示例:
JXLD型機架主要參數及尺寸
上一個產品:TJQ型機架
下一個產品:TJ搪玻璃反應罐通用機架
聯系方式
地址:泊頭市工業區內6號車間 電話:0317-8310667 傳真:0317-8194995 郵箱:btmcjx@163.com
簡介
泊頭市美晨機械有限公司主要產品有橡膠輪胎式聯軸器,滾子鏈聯軸器,安全聯軸器,膜片聯軸器,鼓形齒式聯軸器,星形彈性聯軸器,彈性套柱銷聯軸器,滑塊聯軸器,梅花形彈性聯軸器,滾子鏈聯軸器,彈性柱銷聯軸器,彈性柱銷齒式聯軸器等。為滿足客戶需要,我們也承接其它聯軸器的測繪、制造,在這方面我們積累了豐富的經驗。